Description
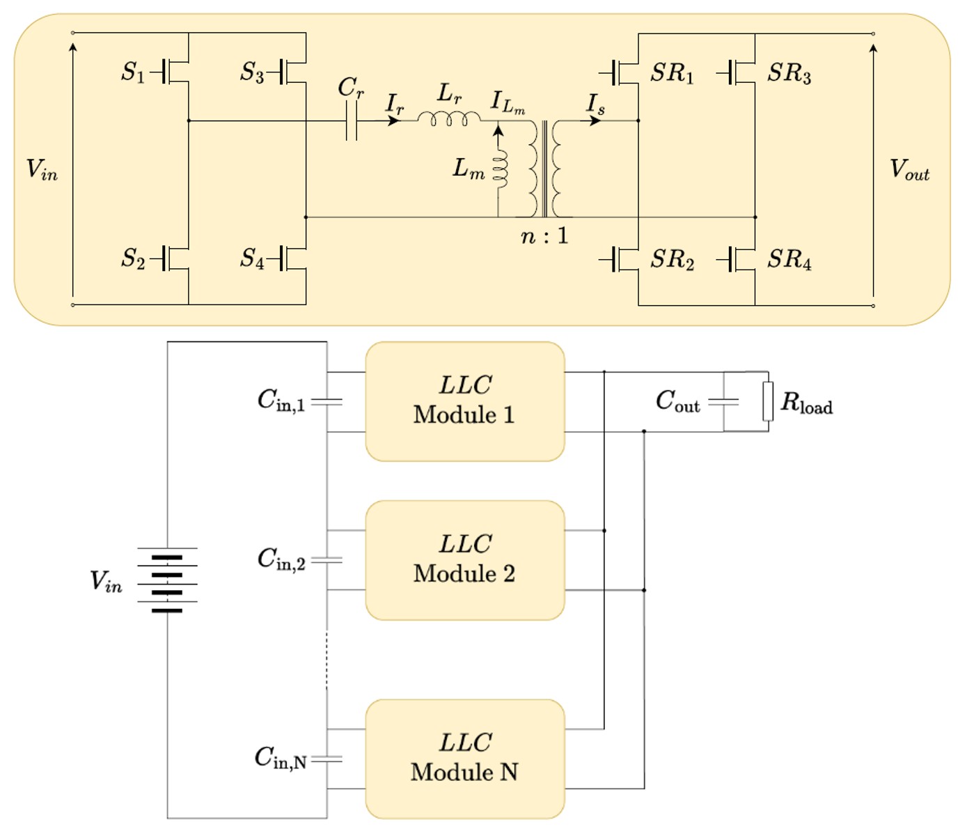
The activity focuses on the LLC resonant converter in an Input-Series-Output-Parallel (ISOP) configuration, a modular solution for high-efficiency, high–power-density isolated dc-dc converters. In this architecture, multiple LLC modules are connected with their inputs in series and outputs in parallel, allowing high input voltages to be distributed across modules while sharing the output current. This reduces device stress, improves thermal management, and enhances overall system reliability.
The use of GaN transistors enables high-frequency operation with low switching losses, while the ISOP arrangement extends their applicability to higher voltage levels. The study also investigates the effects of parameter mismatches among modules on input voltage and output current sharing, and proposes a multi-objective, genetic algorithm–based design method that optimizes semiconductor losses, transformer volume, and overall efficiency of the ISOP LLC converter.s
